
1、Einführung
Dieses ULN2003A ist ein hoher Spannungs-, großer Strom-Darlington-Trafo-Array, das oft zur Ansteuerung von Relais, LED-Leuchten, Ventilen und Schrittmotoren verwendet wird.Es gibt sieben unabhängige Kanäle, die die vier Windungen des Schrittmotors getrennt steuern können. Jeder Kanal kann bis zu 500mA Strom aufnehmen, was ausreicht, um kleine bis mittlere Schrittmotoren anzutreiben.Dieser Treiber wird durch ULN2003A zur Steuerung eines 5-Leiter-4-Phasen-Schrittmotors verwendet.Der Kern des Antriebs der Schrittmotoren besteht darin, die Rotation des Motors durch Ändern der Stromreihenfolge und -sequenz der Motorwicklungen zu erreichen.ULN2003A jeder Kanal entspricht einem Spulenkreis des Schrittmotors. Durch die Kontrolle der Öffnung und Schließung dieser Kanäle können wir die Schrittbewegung des Motors steuern.Normalerweise haben Schrittmotoren vier verschiedene Schrittmodi: Einphasen-, Zweiphasen-, Halbschritt- und Vollschrittmodus. In jedem Modus variiert der Drehmoment und die Genauigkeit des Motors.
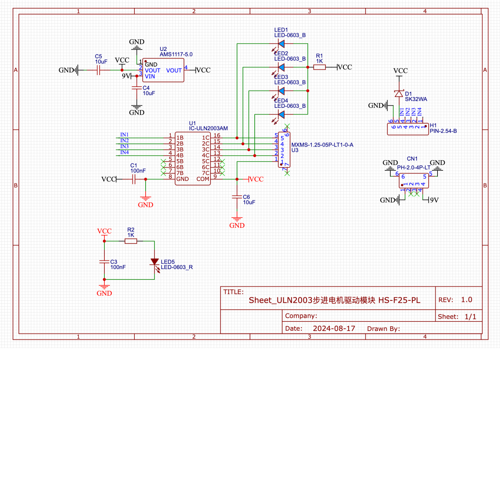
2、Schemazeichnung

3、Modulparameter
Pinbezeichnung | Beschreibung |
|---|---|
G | GND(Spannungsversorgungsminus) |
V | VCC(Spannungsversorgungsplus) |
IN1 | Motor-Signal-Leitung 1 |
IN2 | Motor-Signal-Leitung 2 |
IN3 | Motor-Signal-Leitung 3 |
IN4 | Motor-Signal-Leitung 4 |
Versorgungsspannung: 5V
Stromsignalverbindungsmethode: 6P DuPont-Kabel
Schrittmotorverbindungsmethode: PH1.5-4P Stecker
Installationsart: Schraubenmontage / Lego-Bauweise
4, Platinegröße

5、Arduino Bibliothek hinzufügen
Hier ist der Bezug für die Verwendung der Bibliothek:Bibliothek installieren und verwenden
Bibliothek herunterladen: 2、第二步将UNO开发板的库文件下载后解压在桌面。
6、Arduino IDE Beispielprogramm
Beispielprogramm (UNO-Board):2、第二步将UNO开发板的库文件下载后解压在桌面。
#include <Stepper.h>
Stepper mystepper(2048,2,3,4,5);
void setup(){
mystepper.setSpeed(10);
}
void loop(){
//控制步进电机正转一圈反转一圈
//设置步数与移动步数相等,代表刚好转一圈;移动步数前数值为正代表顺时针转动;负数代表逆时针转动。
mystepper.step(2048);
delay(200);
mystepper.step((-2048));
delay(200);
}Beispielprogramm (ESP32-Entwicklungsboard - basierend auf Python, kann nicht mit Arduino IDE hochgeladen werden):
7、米思齐 Mixly 示例程序(图形化语言) in Deutsch
Beispielprogramm (UNO-Board):2、第二步将UNO开发板的库文件下载后解压在桌面。

Beispielprogramm (ESP32-Entwicklungsboard): Klicken Sie zum Herunterladen
8、Testumgebung Einrichtung
Testumgebung für Arduino UNO einrichten
Vorbereiten Sie die Komponenten:
UNO-R3 Entwicklungsboard *1
UNO-R3 P Erweiterungsplatine *1
USB type-c Datenkabel *1
Schrittmotorsteuermodul (HS-F25-PL) *1
6P杜邦线*1
PH1.5-4P线
Schaltplan der Leitung:

ESP32 Python Testumgebung Einrichtung
9、Video-Tutorial
Arduino UNO Video-Tutorial:Klicken, um anzuzeigen
ESP32 Python Videoanleitung:
10、Testergebnis
Arduino UNO Testergebnis:

Programm nach dem Flashen beobachten, der Motor dreht sich um eine Umdrehung, pausiert kurz und dreht sich umgekehrt.