
1、Einführung
MicroSD-Karte kommuniziert über den SD-Kartenanschluss mit dem System und ermöglicht Datenspeicherung und -lesung.SD-Karte wird häufig für Datenspeichergeräte verwendet, z.B. für Umweltsicherheitsgeräte.Durch regelmäßiges Schreiben von Sensordaten auf die SD-Karte können Daten langfristig gespeichert und für eine nachfolgende Analyse verwendet werden.In Situationen, in denen eine große Menge an Daten gespeichert werden muss, ist eine SD-Karte eine ideale Wahl.Zum Beispiel können SD-Karten in IoT-Geräten zur Speicherung von Konfigurationsdateien, Protokolldateien und so weiter verwendet werden.
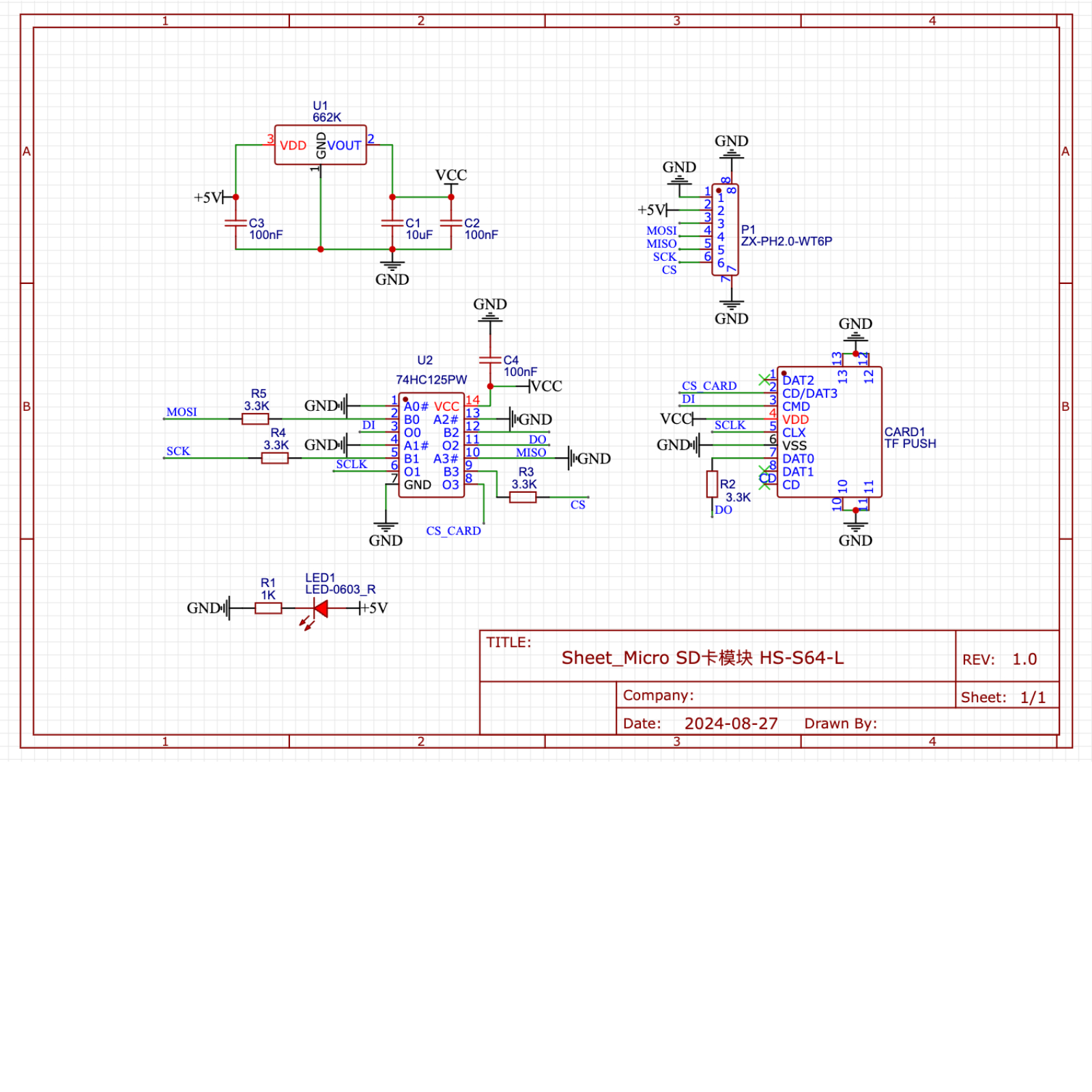
2、Schemazeichnung

3、Modulparameter
Pinbezeichnung | Beschreibung |
|---|---|
G | GND(Spannungsversorgungsminus) |
V | VCC(Spannungsversorgungsplus) |
MOSI | Modul-Daten-Eingabestecker |
MISO | Modul-Daten-Ausgangsstecker |
SCK | Datenübertragungsuhrzeigerpin |
CS | Datenübertragungseingriffspinnaker |
Spannungsversorgung: 3.3V-5V
Verbindungsmethode: PH2.0 6P Steckerkabel
Montagemethode: Lego-Baukasten
4, Platinegröße

5、Arduino Bibliothek hinzufügen
Hier ist der Bezug für die Verwendung der Bibliothek:Bibliothek installieren und verwenden
Bibliothek herunterladen: 2、第二步将UNO开发板的库文件下载后解压在桌面。
6、Arduino IDE Beispielprogramm
Beispielprogramm (UNO-Board):2、第二步将UNO开发板的库文件下载后解压在桌面。
#include <SD.h>
#include <SPI.h>
Sd2Card card;
SdVolume volume;
SdFile root;
File datafile;
String SD_card_reading(String path) {
datafile = SD.open(path.c_str());
String sd_data = "";
while (datafile.available()) {
sd_data = String(sd_data) + String(char(datafile.read()));
}
return sd_data;
}
void setup(){
SD.begin(10);
card.init(SPI_HALF_SPEED, 10);
Serial.begin(9600);
volume.init(card);
Serial.println(card.type());
Serial.println(String(volume.blocksPerCluster()*volume.clusterCount()/2/1024) + String("MB"));
root.openRoot(volume);
root.ls(LS_R | LS_DATE | LS_SIZE);if (SD.exists("fileName.txt")) {
Serial.println(SD_card_reading("fileName.txt"));
}
datafile = SD.open("fileName.txt", FILE_WRITE);
if(datafile){
datafile.print("您好");
datafile.println("");
datafile.close();
}
}
void loop(){
//打印SD卡参数与读写测试
//SD卡拥有超大的存储容量,一般用来保存检测传感器数据与系统参数
//如温湿度数据等,通常保存的数据要加上时间戳
}Beispielprogramm (ESP32-Entwicklungsboard - basierend auf Python, kann nicht mit Arduino IDE hochgeladen werden):
7、米思齐 Mixly 示例程序(图形化语言) in Deutsch
Beispielprogramm (UNO-Board):2、第二步将UNO开发板的库文件下载后解压在桌面。

Beispielprogramm (ESP32-Entwicklungsboard): Klicken Sie zum Herunterladen
8、Testumgebung Einrichtung
Testumgebung für Arduino UNO einrichten
Vorbereiten Sie die Komponenten:
UNO-R3 Entwicklungsboard *1
UNO-R3 P Erweiterungsplatine *1
USB type-c Datenkabel *1
Micro-SD-Karteneinheit (HS-S64-L) *1
PH2.0-5P-Leitung
Schaltplan der Leitung:

ESP32 Python Testumgebung Einrichtung
9、Video-Tutorial
Arduino UNO Video-Tutorial:Klicken, um anzuzeigen
ESP32 Python Videoanleitung:
10、Testergebnis
Arduino UNO Testergebnis:
Beachten Sie: Legen Sie die SD-Karte vor der Verwendung in den Kartenleser ein und formatieren Sie sie als FAT.


Verbinden Sie das Kabel und laden Sie den Code hoch.

Das MIŞKI-Programm öffnen und den SD-Kartendaten können beobachtet werden.

Die SD-Karte in den Card-Reader stecken, in den Computer einstecken, den entsprechenden USB-Stick finden und die entsprechenden Daten sehen: Guten Tag.
