
1、소개
MicroSD 카드가 SD 카드 인터페이스를 통해 시스템과 통신하여 데이터의 읽기와 쓰기 작업을 수행합니다。SD카드는 데이터 레코드기, 예를 들어 환경 모니터링 장비에서 자주 사용됩니다.정기적으로 센서 데이터를 SD 카드에 쓰면 장기적으로 데이터를 저장할 수 있으며, 후속 분석에 편리합니다.大数据를 저장해야 할 필요가 있는 경우, SD카드는 이상적인 선택입니다.예를 들어,物联网 장치에서 SD 카드는 설정 파일, 로그 파일 등을 저장할 수 있습니다.
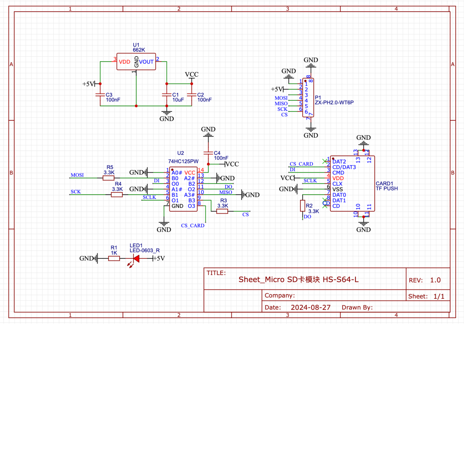
2、시뮬레이션 그래프

3、모듈 매개변수
핀 이름 | 설명 |
|---|---|
G | GND(전원 입력 부정极) |
V | VCC(전원 입력 정극) |
MOSI | 모듈 데이터 입력 패인 |
MISO | 모듈 데이터 출력 패인 |
SCK | 데이터 전송 클로크 핀 |
CS | 데이터 전송 활성화 핀 |
전원 공급 전압: 3.3V-5V
연결 방식: PH2.0 6P 케이블 라인
설치 방법:乐乐고 구축
4、회로판 크기

5、Arduino 라이브러리 추가
라이브러리를 사용하지 못하는 참고 여기:라이브러리 설치 사용 방법
라이브러리 다운로드:다운로드 클릭
6、아두이노 IDE 예제 프로그램
예제 프로그램(UNO 개발판):다운로드 클릭
#include <SD.h>
#include <SPI.h>
Sd2Card card;
SdVolume volume;
SdFile root;
File datafile;
String SD_card_reading(String path) {
datafile = SD.open(path.c_str());
String sd_data = "";
while (datafile.available()) {
sd_data = String(sd_data) + String(char(datafile.read()));
}
return sd_data;
}
void setup(){
SD.begin(10);
card.init(SPI_HALF_SPEED, 10);
Serial.begin(9600);
volume.init(card);
Serial.println(card.type());
Serial.println(String(volume.blocksPerCluster()*volume.clusterCount()/2/1024) + String("MB"));
root.openRoot(volume);
root.ls(LS_R | LS_DATE | LS_SIZE);if (SD.exists("fileName.txt")) {
Serial.println(SD_card_reading("fileName.txt"));
}
datafile = SD.open("fileName.txt", FILE_WRITE);
if(datafile){
datafile.print("您好");
datafile.println("");
datafile.close();
}
}
void loop(){
//打印SD卡参数与读写测试
//SD卡拥有超大的存储容量,一般用来保存检测传感器数据与系统参数
//如温湿度数据等,通常保存的数据要加上时间戳
}예제 프로그램(ESP32 보드—Python 언어 기반, Arduino IDE로 업로드할 수 없음):
7、미스키 Mixly 예제 프로그램(그래픽 언어)
예제 프로그램(UNO 개발판):다운로드 클릭

예제 프로그램(ESP32 개발판):다운로드 클릭
8、테스트 환경 구축
Arduino UNO 테스트 환경 구축
부품 준비:“
UNO-R3 개발 보드 *1
UNO-R3 P 확장판 *1
USB type-c 데이터 케이블 *1
마이크로-SD 카드 모듈(HS-S64-L) *1
PH2.0-5P선
전기 연결도):

ESP32 Python 테스트 환경 구축
9、비디오 강의
Arduino UNO 비디오 강의:시각화 클릭
ESP32 Python 비디오 강의:
10, 테스트 결과
Arduino UNO 테스트 결과:
사용 전에 SD 카드를 리더에 넣고 FAT으로 포맷하세요.


선을 연결하고 코드를 업로드하세요.

미시지 소프트웨어의 시리얼 포트를 열면 SD 카드 안의 데이터를 볼 수 있습니다。

SD 카드를 리더에 넣고 컴퓨터에插入해 주세요. 대응하는 U盘을 찾으면 해당 데이터가 볼 수 있습니다: 안녕하세요。
